彈簧全啟封閉式高壓安全閥
一、產品概述:
A42Y-160/320彈簧全啟封閉式高壓安全閥適用于工作溫度≤200℃空氣、氮氫混合氣等介質的設備或管路上。A42Y-160P/320P、A42Y-160R/320R彈簧全啟封閉式高壓安全閥適用于工作溫度≤200℃有腐蝕性介質的設備或管路上,作為超壓保護裝置。連接法蘭按JB/T2769-92的標準。
二、結構特點:
1、彈簧全啟封閉式高壓安全閥具有結構簡單、密封性能好、開啟壓力準確、排放能力大、回座壓差小、調整方便等特點。
2、噴嘴型閥座:閥座為位伐爾噴嘴型閥座,蒸汽流經閥座出口處時達到音速,排放系數大,閥座密封面堆焊鈷鉻鎢硬質合金,耐磨抗沖蝕,壽命長。
3、熱彈性閥瓣:閥瓣設計為熱彈性結構,利用其在介質壓力下微小的變形,提高密封能力,克服安全閥在介質壓力下臨近整定壓力時的前泄現象。閥瓣密封面采用xj****的激光淬火技術,提高了硬度、耐磨性、抗沖抗性。
4、調節螺母:通過調整調節螺母,調整彈簧壓縮量,使閥門能夠很方便、很迅速地獲得準確的整定壓力。
5、背壓調整套:調整閥瓣背壓的輔助機構,通過背壓調整套調整,可獲得合適的回座壓差。上調時,使閥門背壓降低。下調時,使閥門背壓提高。
三、彈簧全啟封閉式高壓安全閥安裝說明:
1、安全閥須***垂直安裝,并***好直接安裝在容器或管道的接頭上。接頭內徑應不小于安全閥的進口通徑。
2、安全閥的出口須***裝設適當的膨脹節,以防止排放管的熱膨脹給安全閥帶來不應有的熱應力。排放管內徑應比閥門出口直徑大,長度盡可能短,避免拐彎。排放管及膨脹節重量不應作用在安全閥上,應固定在建筑上。排放管的中心線與閥體的中心線間距離盡可能的短。對每臺安全閥都應單獨裝設排放管。
3、消聲器的出口處要有足夠的面積,防止產生背壓影響閥門的排放能力。
四、主要零部件材料:
O. | 零件名稱 | A42Y-160 A42Y-320 材料 | A42Y-160P A42Y-320P 材料 | A42Y-160R A42Y-320R 材料 |
1 | 法蘭 | 35/35CrMoA | 2Cr13 | 1Cr18Ni12Mo2Ti |
2 | 閥座 | 2Cr13 | 1Cr18Ni9Ti | 1Cr18Ni12Mo2Ti |
3 | 閥體 | 40 | 1Cr18Ni9Ti | 1Cr18Ni12Mo2Ti |
4 | 調節圈 | 2Cr13 | 1Cr18Ni9Ti | 1Cr18Ni12Mo2Ti |
5 | 閥瓣 | 2Cr13 | 1Cr18Ni9Ti | 1Cr18Ni12Mo2Ti |
6 | 反沖盤 | 2Cr13 | 1Cr18Ni9Ti | 1Cr18Ni12Mo2Ti |
7 | 導向套 | 2Cr13 | 1Cr18Ni9Ti | 1Cr18Ni12Mo2Ti |
8 | 閥蓋 | ZG230-450 | ZG230-450 | ZG230-450 |
9 | 閥桿 | 2Cr13 | 1Cr18Ni9Ti | 1Cr18Ni9Ti |
10 | 彈簧 | 50CrVA | 50CrVA包覆氟塑料 | 50CrVA包覆氟塑料 |
11 | 調整螺桿 | 45 | 2Cr13 | 2Cr13 |
12 | 閥帽 | ZG200-400 | ZG200-400 | ZG200-400 |
密封面材料 | 堆焊Co基硬質合金 | |||
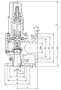
五、外形尺寸和連接尺寸:

型號 | 公稱通徑 | do | d | M | K | D | Z-?d | b | d1 | M1 | K1 | D1 | Z1-?d1 | b1 | L | L1 | ≈H |
A42Y-160 | 15 | 8 | 20 | M34×2 | 60 | 95 | 3-18 | 20 | 29 | M42×2 | 80 | 115 | 4-18 | 22 | 95 | 100 | 220 |
20 | 8 | 27 | M33×2 | 68 | 105 | 3-18 | 20 | 29 | M42×2 | 80 | 115 | 4-18 | 22 | 95 | 100 | 220 | |
25 | 14 | 28 | M33×2 | 68 | 105 | 3-18 | 20 | 50 | M64×3 | 115 | 165 | 6-26 | 32 | 150 | 150 | 280 | |
32 | 15 | 37 | M42×2 | 80 | 115 | 4-18 | 22 | 50 | M64×3 | 115 | 165 | 6-26 | 32 | 150 | 150 | 390 | |
40 | 20 | 47 | M52×2 | 115 | 165 | 6-26 | 28 | 65 | M80×3 | 145 | 200 | 6-29 | 40 | 180 | 180 | 495 | |
50 | 25 | 59 | M64×3 | 115 | 165 | 6-26 | 32 | 80 | M100×3 | 170 | 225 | 6-33 | 50 | 165 | 165 | 400 | |
A42Y-320 | 15 | 8 | 27 | M33×2 | 68 | 105 | 3-18 | 20 | 29 | M42×2 | 80 | 115 | 4-18 | 22 | 95 | 100 | 220 |
20 | 8 | 30 | M33×2 | 75 | 110 | 3-18 | 22 | 29 | M42×2 | 80 | 115 | 4-18 | 22 | 95 | 100 | 220 | |
25 | 14 | 35 | M42×2 | 80 | 115 | 4-18 | 22 | 50 | M64×3 | 115 | 165 | 6-26 | 32 | 150 | 150 | 280 | |
32 | 15 | 41 | M48×2 | 95 | 135 | 4-22 | 25 | 50 | M64×3 | 115 | 165 | 6-26 | 32 | 150 | 150 | 390 | |
40 | 20 | 58 | M64×3 | 115 | 165 | 6-26 | 32 | 65 | M80×3 | 145 | 200 | 6-29 | 40 | 180 | 180 | 495 | |
50 | 25 | 70 | M80×3 | 145 | 200 | 6-29 | 40 | 80 | M100×3 | 170 | 225 | 6-33 | 50 | 165 | 165 | 400 | |
A42Y-400 | 32 | 15 | 41 | M48×2 | 95 | 135 | 4-22 | 25 | 50 | M64×3 | 115 | 165 | 6-26 | 32 | 150 | 150 | 397 |
六、訂貨須知:
1、①產品名稱②型號③規格口徑④公稱壓力⑤閥體材質⑥連接方式⑦傳動方式⑧工作溫度⑨是否帶附件以便我們的為您正確選型.
2、若已經由設計單位選定我公司的型號,請按產品型號直接向我司銷售部訂購。
3、當使用的場所非常重要或環境比較復雜時,請您盡量提供設計圖紙和詳細參數,當使用的場合重要或環境比較復雜時,請您盡量提供設計圖紙和詳細參數,由我們的中偉測控zj****為您審核把關。

